
撥動世界 智造未來
小型化電子零部件制造廠家
專注?撥動開關研發生產 · 十年行業經驗
8檔撥動開關使用說明書
1. 簡介
8檔撥動開關是一種常用于電器,車輛等場合的控制開關,它具備方便安裝,簡單易用的特點。本產品是一款全新開發的8檔撥動開關,采用優質材料制造而成,保證了開關的質量。

2. 規格參數
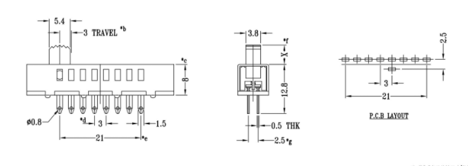
本款8檔撥動開關的規格參數如下:
產品名稱: 大電流撥動開關
產品型號: SS-18F08GX/1P8T
制作工藝: 全自動裝配
額定電流:0.5A
工作壽命:10000次
工作溫度:-30-75度
耐 壓: DC50V
包裝方式: 1000PCS/包
本產品可以用于多種類型的電路,讓您更方便地控制電器。
3. 接線方法
接線前,請保持開關處于關閉狀態。本產品提供8個插槽用于連接電線,接線方法如下圖所示:

將一端的電線頭插入其中一個插槽中,另一端將電線頭插入您需要連接的電器的相應插槽,以此類推連接其它電器。請確保所有連接已經牢固穩定,以免出現安全問題。
4. 使用方法
將開關旋轉到您希望的檔位即可,一共提供了8檔可供選擇。本產品采用撥動開關,使用時請輕柔地按下撥動桿進行切換,不必用力擰轉。
5. 維護說明
1. 本產品需定期進行檢查與維護,以確保其正常使用。在使用過程中,如發現松動或損壞請及時更換。
2. 如有必要清潔開關,將開關放置于干燥狀態下,使用吹灰氣槍輕輕吹除灰塵即可。
3. 在使用過程中,如出現故障或異常,請及時停止使用并向專業人士進行檢查或更換。
6. 注意事項
1. 本產品需在干燥、通風、無腐蝕性氣體,無明火且無特殊環境條件下使用。
2. 在使用前,請確保您對本產品的電氣知識已達到一定水平,并懂得正確地使用開關。
3. 使用本產品時,請勿對其進行改裝或拆卸。
4. 在拆卸或維修本產品時,應先斷電并停止電源供電。
5. 請勿在同一開關上同時使用多個電器。
6. 在使用過程中,若出現卡頓或其他異常情況,請勿用力擰轉開關,應停止使用并尋求專業人士幫助。
7. 結束語
感謝您使用本產品,如有任何問題或建議,歡迎隨時聯系我們。為您帶來更好的使用體驗,是我們不斷努力的動力。
穎鑫官方微信